Доставка завтра - 390 ₽
на лучшие бренды
от производителей
«ORIS BOSAL производит фаркопы на УАЗ 3159, 3160, 3962, Hunter (Хантер) 2001, при установке которых задействуется только штатные места крепления (предусмотренные автопроизводителем) без сверления дополнительных отверстий, что позволяет оптимально распределить нагрузку на кузов автомобиля.
Грузоподъемность фаркопа 6506-A на УАЗ 3159, 3160, 3962, Hunter (Хантер) 2001 рассчитывается теоретически и подтверждается динамическими испытаниями. Максимальная масса буксируемого прицепа 1500 кг при статической вертикальной нагрузке на шар 75 кг. Фаркоп с типом шара: А на УАЗ 3159, 3160, 3962, Hunter (Хантер) 2001, удобен в эксплуатации, благодаря своей съемной части, при этом основная рама с кронштейном фаркопа скрыты за бампером и за габариты автомобиля не выступают.
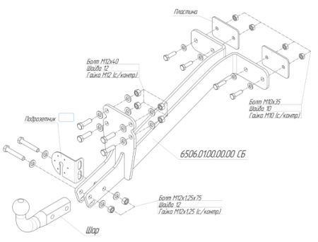
Комплектация фаркопа 6506-A:
.png)
Установка фаркопа 6506-A на УАЗ 3159, 3160, 3962, Hunter (Хантер) 2001:
Рекомендуем производить монтаж фаркопа (ТСУ) в специализированных центрах по установке доп. оборудования с соответствующей сертификацией, не смотря на полноценную комплектацию фаркопа которая позволит вам установить его сразу же после получения. Так вы гарантированно получите необходимые документы для ГИБДД, гарантию на установочные работы и сам фаркоп»
ПРАВИЛА ЭКСПЛУАТАЦИИ И ТЕХНИЧЕСКОГО ОБСЛУЖИВАНИЯ 1. Техническое обслуживание ТСУ заключается в периодическом осмотре болтовых соединений ТСУ с автомобилем, крепления приборов электрооборудования и состояния окрашенной поверхности ТСУ. В целях предотвращения появления коррозии ТСУ необходимо содержать в чистоте от коррозионно-активных материалов (дорожная соль, грязь и влага). При обнаружении царапин, сколов поврежденное место необходимо обработать восстанавливающей краской, либо обратиться в сервисную службу. 2. Если автомобиль эксплуатируется без прицепа необходимо сцепной шар покрыть защитной смазкой и надеть защитный колпак. При сцепке прицепа с автомобилем шар должен быть смазан консистентной смазкой. 3. После фиксации сцепной головки прицепа на шаре ТСУ осуществлять страховочную связь прицепа с автомобилем, используя петлю на ТСУ для крепления страховочных цепей. 4. После пробега 1000 км с прицепом проверить затяжку всех резьбовых соединений ТСУ. 5. Не допускается буксировка прицепов полной массой, превышающей массу, указанную заводом-изготовителем транспортного средства, или фаркопа (что меньше), и со скоростью, превышающей ограничение для данного участка дороги. Перегрузка может привести к повреждению автомобиля и/или ТСУ. Такая перегрузка, в крайнем случае, может привести к отцеплению буксируемого автоприцепа, что может стать причиной серьезного ДТП и причинить вред пассажирам автомобиля и пешеходам. 6. Если сцепной крюк фаркопа перекрывает номерной знак автомобиля, необходимо снимать его (сцепной крюк) в случаях, когда автомобиль не буксирует прицеп. 7. Не допускается эксплуатация ТСУ при наличии трещин в сварных швах, серьёзных повреждений, вмятин и разрывов металла на деталях ТСУ. 8. В случае движения автомобиля с прицепом в условиях бездорожья максимально допустимая нагрузка на ТСУ снижается на 50% от заявленной заводом-изготовителем нагрузки, скорость движения не должна превышать 30 км/ч.
Оплачивайте покупки удобным способом. В интернет-магазине доступно 3 варианта оплаты:
- Наличные при самовывозе или доставке курьером. Специалист свяжется с вами в день доставки, чтобы уточнить время и заранее подготовить сдачу с любой купюры. Вы подписываете товаросопроводительные документы, вносите денежные средства, получаете товар и чек.
- Безналичный расчет при самовывозе или оформлении в интернет-магазине: карты Visa и MasterCard. Чтобы оплатить покупку, система перенаправит вас на сервер системы ASSIST. Здесь нужно ввести номер карты, срок действия и имя держателя.
- Электронные системы при онлайн-заказе: PayPal, WebMoney и Яндекс.Деньги. Для совершения покупки система перенаправит вас на страницу платежного сервиса. Здесь необходимо заполнить форму по инструкции.
Экономьте время на получении заказа. В интернет-магазине доступно 4 варианта доставки:
- Курьерская доставка работает с 9.00 до 19.00. Когда товар поступит на склад, курьерская служба свяжется для уточнения деталей. Специалист предложит выбрать удобное время доставки и уточнит адрес. Осмотрите упаковку на целостность и соответствие указанной комплектации.
- Самовывоз из магазина. Список торговых точек для выбора появится в корзине. Когда заказ поступит на склад, вам придет уведомление. Для получения заказа обратитесь к сотруднику в кассовой зоне и назовите номер.
- Постамат. Когда заказ поступит на точку, на ваш телефон или e-mail придет уникальный код. Заказ нужно оплатить в терминале постамата. Срок хранения — 3 дня.
- Почтовая доставка через почту России. Когда заказ придет в отделение, на ваш адрес придет извещение о посылке. Перед оплатой вы можете оценить состояние коробки: вес, целостность. Вскрывать коробку самостоятельно вы можете только после оплаты заказа. Один заказ может содержать не больше 10 позиций и его стоимость не должна превышать 100 000 р.

